Costruiamone una anche noi
“Nel 1926, Shintaro Uda, all’epoca assistente del professor Hidetsugu Yagi a Osaka, pubblicò il primo di una serie di articoli in giapponese che descrivevano un nuovo tipo di antenna direttiva.
A differenza delle antenne omnidirezionali dell’epoca, il design di Uda introduceva elementi “parassiti” (non collegati elettricamente alla sorgente) che permettevano di focalizzare il segnale radio in una direzione specifica, aumentandone drasticamente il guadagno”
La realizzazione di un sistema yagi oggi è relativamente banale, ma certamente non lo era nel 1926.
Bisogna chiarire innanzi tutto che, per quanto possa sembrare strano, qualsiasi corpo conduttivo in natura può essere considerato un’antenna. Esso re-irradierà, per quanto spesso in piccolissima parte, il segnale che gli capiterà di ricevere. La focalizzazione del segnale, e quindi il guadagno, nelle yagi si ottiene perché gli elementi parassiti allineati introducono progressivi sfasamenti nel segnale che viene così re-irradiato in avanti piuttosto che in tutte le direzioni. Questo richiede che ciascun elemento successivo sia posto ad una distanza precisa dal precedente e risuoni ad una frequenza precisa, altrimenti il miracolo non si compie. Oggi abbiamo i computer. Immaginate come doveva essere fare quei calcoli nel 1926. I complimenti sono d’obbligo.
Ma veniamo ai giorni nostri. La yagi non è più un oggetto misterioso ma piuttosto una delle antenne più usate, più prevedibili e più facili da costruire. Perciò, se volete accompagnarmi in questa avventura, costruiremo una yagi 10 elementi per la frequenza degli 869 mhz. Il software che mi propongo di usare per calcolare il modello è quello basato sul lavoro di DL6WU
E’ un software molto affidabile e molto usato da chi si costruisce da solo le sue yagi. Ci sono tuttavia un paio di aspetti di questo software che vanno compresi senza equivoci prima di mettersi al lavoro.
Prima cosa, il software può adattare i calcoli sulla base del tipo di boom selezionato. Sarà un boom metallico o non conduttivo? Come sono montati gli elementi, attraverso il boom oppure sopra, e qual è il diametro del boom? In fondo al foglio di calcolo si propone la scelta per i parametri del boom. Non sbagliate questa scelta, in caso contrario il risultato sarà una catastrofe. Per il progetto di oggi, e anche per semplificarci la vita, ho scelto un boom non conduttivo, in buona sostanza legno o plastica. Gli elementi dell’antenna saranno montati attraverso il boom.
La seconda cosa da capire è che questo software non garantisce al 100% l’adattamento di impedenza fra linea e antenna. Sta scritto chiaramente nelle note.
You can use T-match or Г-match as matching methods for the straight dipole.
In caso di connessione diretta l’adattamento sarà ragionevole ma non perfetto. Al giorno d’oggi però chi mai si prende la briga di leggere i manuali? Quindi chi si aspetta che il progetto restituisca una yagi con esattamente 50 ohms di impedenza resterà forse un po’ deluso.
Ora, per essere chiari fino in fondo, bisogna pur spiegare che l’impedenza di una yagi long boom realmente ottimizzata fino all’ultima goccia di sangue NON sarà 50 ohms. La parte resistiva dell’impedenza di una long boom fortemente ottimizzata si collocherà piuttosto attorno 30 ohms e la reattanza residua dipenderà dalla scelta fra hairpin e gamma match. L’hairpin prevede un dipolo radiatore aperto al centro e, se si sceglie di usare hairpin, meglio partire con un residuo di reattanza capacitiva.

Al contrario il gamma match utilizza un dipolo intero e aggiungerà del suo una certa reattanza induttiva, che va cancellata con la capacità introdotta dal dielettrico nel tubicino adattatore.

Il vero problema tuttavia sta nel fatto che a quasi 1 GHz di frequenza la costruzione di una rete di adattamento non è una passeggiata. Le dimensioni microscopiche non aiutano e qualsiasi imprecisione, qualsiasi falso contatto distruggerà il rendimento dell’antenna. Magari il malcapitato neanche se ne accorge perché tanto l’antenna in un modo o nell’altro funziona, ma renderà molto meno di quanto potrebbe. E magari l’antenna avrà anche il suo bravo ROS 1.0, come un qualsiasi carico fittizio.
D’altronde anche il montaggio di un radiatore aperto al centro, senza alcuna rete di adattamento, su un boom per forza di cose largo al massimo un paio di centimetri, presenta difficoltà meccaniche non da poco. Sarebbe utile un supporto stampato 3d ma io non saprei come procurarmelo. Questi supporti

sono stati in commercio fino a qualche anno fa e forse, cercando bene, lo sono ancora, ma sono palesemente troppo grandi.
Tutto così complicato? Spoiler, ci sono un paio di sporchi trucchi che permettono di evitare prevedibili disgrazie nella costruzione di una rete di adattamento di impedenza quale hairpin o gamma a 869 mhz. Come ogni sporco trucco, c’è magari un prezzo da pagare. E vedremo poi qual è il prezzo, ma per questo occorre prima fare un piccolo passo indietro. A cosa si pensa infatti quando si parla di una yagi ottimizzata? Sarà un’antenna con una banda relativamente larga ed un eccellente rapporto front to back.

Ora per il nostro caso d’uso la banda larga è esattamente quello che NON vogliamo e anche il front to back potrebbe essere irrilevante, dipende. Gli sporchi trucchi di cui sopra causeranno un degrado di probabilmente 10 dB nel front to back, rispetto a un modello perfetto al 100%, senza peraltro diminuire il guadagno.
E allora, bando alle ciance e cominciamo.
Come per ogni buon progetto, prima di tutto occorre definire l’hardware di cui disponiamo. Per questa antenna useremo una barra piena in alluminio da 4mm per gli elementi passivi e un filo di rame da 1mm per il radiatore. Per il boom andrà bene un quadrello di legno, da verniciare, oppure un tubo di plastica sufficientemente rigido. Come staffe di montaggio io uso materiale televisivo reperibile dovunque.

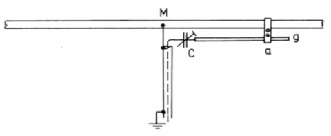
Vorrei essere chiaro oltre ogni possibile dubbio, il diametro degli elementi conta perché maggiore è il diametro e più corto dovrà essere l’elemento per mantenere la lunghezza elettrica richiesta. Quindi occhio a non prendere alla leggera la misura del diametro e diffidate da chi non vi mette adeguatamente in guardia su questo particolare e da tutti i software che non prevedono il diametro degli elementi fra i parametri di calcolo. E allora chi è stato veramente attento fino a questo punto si sarà accorto che il diametro del filo di rame che useremo per il radiatore non coincide con quanto dichiarato nel modello di calcolo. Ma questo attiene, per l’appunto, allo sporco trucco cui ho accennato, quindi per ora fidatevi.
Ok, impostiamo i parametri nel calcolatore online
- Driven element (dipole) form: straight
- Element shape: round
- Frequency: 869
- Total elements number: 10
- Element diameter d: 4mm
- Boom side D: 20mm
- Cross-section of the boom: square
- Mounting elements on the boom dielectric: option 3
Il risultato
- Javascript Version 2025-10-03 by 3G-Aerial,
- based on DL6WU.BAS source code
- Long-yagi DL6WU
- ————————————————————-
- Driven element (dipole) form: Straight
- Element shape: Round
- ————————————————————-
- Frequency f: 869 MHz
- Wavelength λ: 345 mm
- Element diameter d: 4 mm
- Boom side D: 20 mm
- Total number of elements: 10
- Boom length: 744 mm
- Gain: 13.9 dBi (approx.)
- ————————————————————-
- Reflector length R: 167 mm
- Reflector position R = 0
- ————————————————————-
- Dipole length F: 160 mm
- Dipole position F (R-F): 69 mm
- Gap at connection point g <= 4.6 mm
- ————————————————————-
- Length D1: 146 mm
- Director position D1 (R-D1): 94.9 mm
- Distance F-D1: 25.9 mm
- ————————————————————-
- Length D2: 144 mm
- Director position D2 (R-D2): 157 mm
- Distance D1-D2: 62.1 mm
- ————————————————————-
- Length D3: 142 mm
- Director position D3 (R-D3): 231 mm
- Distance D2-D3: 74.2 mm
- ————————————————————-
- Length D4: 140 mm
- Director position D4 (R-D4): 317 mm
- Distance D3-D4: 86.2 mm
- ————————————————————-
- Length D5: 138 mm
- Director position D5 (R-D5): 414 mm
- Distance D4-D5: 96.6 mm
- ————————————————————-
- Length D6: 137 mm
- Director position D6 (R-D6): 517 mm
- Distance D5-D6: 103 mm
- ————————————————————-
- Length D7: 135 mm
- Director position D7 (R-D7): 626 mm
- Distance D6-D7: 109 mm
- ————————————————————-
- Length D8: 134 mm
- Director position D8 (R-D8): 740 mm
- Distance D7-D8: 114 mm
- ————————————————————-
- Elements on a dielectric boom.
- Boom-correction is not taken into account.
Se non fosse del tutto chiaro di per sé, preciso che il riflettore è in posizione 0 e che la posizione dei successivi elementi è cumulativa. Il radiatore è a 69mm, il primo direttore è a 95mm … eccetera.
Forate con attenzione, possibilmente usando un trapano a colonna o almeno una guida, una yagi con elementi poco allineati non è bella da vedere, anche se prima di causare danni veri al diagramma di irradiazione ci sono margini consistenti. Non serve fare il foro per radiatore, non ci servirà.
Foto yagi in costruzione

Siccome noi siamo malfidati per natura, creiamo un modello Nec con i dati calcolati dal modello di DL6WU

Come si può vedere il modello di dl6wu ha un diagramma di irradiazione già piuttosto buono, a parte che per qualche lobo laterale non perfetto.
Anche il ros, alimentando direttamente il dipolo
- Source 1 Voltage = 46,05 V at 3,75 deg.
- Current = 1 A at 0,0 deg.
- Impedance = 45,95 + J 3,009 ohms
- Power = 45,95 watts
- SWR (50 ohm system) = 1,111 (75 ohm system) = 1,636
è buono, ma comporta l’utilizzo di un radiatore aperto al centro di diametro pari a 4mm. E quel che è peggio è che il radiatore, per rispettare il progetto, dovrebbe essere montato attraverso il boom, cosa veramente poco pratica. Dimenticatevi infatti l’idea di montare il radiatore e poi raggiungerlo con viti, rivetti e la qualunque, non funzionerà o almeno non funzionerà a lungo per un problema di inevitabili perdite in questo tipo di connessioni a questa frequenza.
Bene, e allora cosa altro si potrebbe fare?
Esploriamo l’altro caso che il calcolatore ci propone per il radiatore, il dipolo folded.
Senza stare a riscrivere tutti i dati, questo è il risultato previsto dal modello NEC per un radiatore costituito da un dipolo folded secondo i calcoli del software DL6WU, con il lato corto del radiatore a 20mm e il lato lungo a 145mm.
Diagramma di irradiazione

e questa è la previsione dell’impedenza.
- Source 1 Voltage = 147,2 V at -13,51 deg.
- Current = 1 A at 0,0 deg.
- Impedance = 143,1 – J 34,39 ohms
- Power = 143,1 watts
- SWR (50 ohm system) = 3,049 (75 ohm system) = 2,056
Ok, con 143 -j34 decisamente non ci siamo, però forse qualcosa si può tentare di fare, e sarebbe una buona cosa perché meccanicamente il montaggio di un folded è di gran lunga la cosa più semplice.
Prima di tutto, non ha un gran senso usare un tubo da 4mm per costruire un radiatore folded a 869 MHz. Vi ricordate, abbiamo detto che sarebbe stato rame da 1mm. Possiamo arrivare a 2mm se proprio vogliamo, ma ricordatevi che in quel caso i miei numeretti andranno ricalcolati. Come si è già detto, size matters.
Rivediamo il rapporto SWR previsto da NEC impostando 1mm per il diametro del radiatore.
- Source 1 Voltage = 151,9 V at -20,42 deg.
- Current = 1 A at 0,0 deg.
- Impedance = 142,4 – J 53 ohms
- Power = 142,4 watts
- SWR (50 ohm system) = 3,289 (75 ohm system) = 2,242
Ok chiaramente la lunghezza elettrica si è accorciata ma alla fine con 142 -j53 non è cambiato nulla di significativo. Non ci siamo, quindi allunghiamo il lato lungo del radiatore fino a portarlo a risonanza. Nec prevede che questo si ottenga con un lato lungo di 150mm
- Source 1 Voltage = 163,1 V at -0,24 deg.
- Current = 1 A at 0,0 deg.
- Impedance = 163,1 – J 0,6776 ohms
- Power = 163,1 watts
- SWR (50 ohm system) = 3,261 (75 ohm system) = 2,174
Abbiamo ora 163 -j0 e, nel frattempo, il diagramma di irradiazione non è cambiato significativamente.

A questo punto, volendo, si può pensare di alimentare con un balun 4/1. Ma anche un balun a 869 MHz potrebbe riservare qualche sgradita sorpresa in quanto a perdite, soprattutto se realizzato brutalmente con un choke in coassiale.
Magia magia, un aspetto poco conosciuto nella progettazione delle yagi è la possibilità di alterare, entro certi limiti, l’impedenza dell’antenna avvicinando o allontanando il radiatore dal riflettore. In effetti, avvicinando il radiatore al riflettore la parte resistiva dell’impedenza si abbassa e si alza la reattanza induttiva. Proviamo a spostare il radiatore, che era a 69mm, fino a 34mm e contestualmente riaccorciamo il lato lungo fino a 146mm, cioè in pratica alle dimensioni originali calcolate dal modello.
- Source 1 Voltage = 52,09 V at 6,95 deg.
- Current = 1 A at 0,0 deg.
- Impedance = 51,7 + J 6,304 ohms
- Power = 51,7 watts
- SWR (50 ohm system) = 1,137 (75 ohm system) = 1,470
Bingo, adesso abbiamo 52 +j6
Chiaro che se volessimo introdurre parametri al decimo di millimetro potremmo anche fare meglio, ma io direi che possiamo accontentarci. Poi tanto il ros andrà misurato con il VNA e se occorre aggiustato ulteriormente con micro spostamenti in avanti o all’indietro.
E questo è lo sporco trucco preannunciato.
Ora però il diagramma di irradiazione è un po’ peggiorato, segnatamente nel rapporto Front to Back

Il guadagno, tuttavia, sembra addirittura cresciuto. Adesso possiamo banalmente saldare i capi del coassiale al folded. L’antenna, montata per il micro aggiustamento finale, si presenterà in questo modo.

Ok, qualcuno a questo punto obietterà che un balun ci vuole lo stesso. Statisticamente, questo non è vero. Dico statisticamente e conto di spiegarne il motivo in un contributo specifico sulle correnti parassite nei sistemi da sbilanciato a bilanciato, portate pazienza che arriverà anche quello.
Solo un ultimo consiglio non irrilevante. Se siete arrivati fin qui e decidete di saldare i capi del coassiale al folded, ricordatevi che i capi del coassiale devono essere tenuti più corti possibile, a formare una T con il dipolo, non una V. Spero di essermi spiegato, i rami del coassiale devono essere in linea retta con il dipolo. Riguardatevi la foto precedente.
Aggiungo alcune foto di una delle non poche yagi realizzate come ho descritto nel contributo. Questa yagi è stata verificata con il nanoVNA e poi posta a confronto con una GP perfettamente tarata. La yagi ha esibito il guadagno previsto di circa 12dB sopra la GP, in termini di RSSI.


Buon divertimento. Paolo
